應用范圍:冶金礦業、化工行業、食品行業、醫藥行業
物 料: 鐵粉、鎳粉等金屬粉末、陶瓷粉、二氧化硅、碳粉、熔融石英粉、鋯英砂、聚乙烯、聚丙烯、聚氧乙烯,預混料、添加劑、洗衣粉、食鹽、味精、雞精、白糖、藥粉;
電話:021-34715308 13621820452
負壓輸送系統是在廣泛吸收國外同類產品的基礎上開發研制的新產品,目前它是國內理想、完善的粉狀料、粒狀料、粉粒料混合料的真空輸送設備。減輕了工人勞動強度,解決了加料時粉塵外溢等問題,是制藥廠、食品廠通過GMP認證、促進清潔、文明生產的首選設備。
工作原理
真空加料機是利用電動羅茨風機作為真空源的一種真空輸送機,利用該真空加料機可以將物料從容器中直接送入混合機、反應器、料斗、壓片機、包裝機、振動篩、整粒機、濕法制粒機、干法制粒機和粉碎機中去。該機減輕了工人的勞動強度,杜絕了粉塵污染,保證生產符合“GMP”要求。
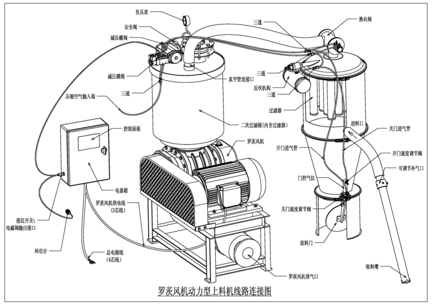
RA-DZKS-420以上,系列真空加料機是用羅茨風機抽氣,使吸料嘴進口處及整個系統處于一定的負壓狀態,粉粒料隨同外界空氣被吸入料嘴,形成料氣流,經過吸料管到達料斗,在料斗中進行氣、料分離。分離后的物料進入受料設備。送料——放料是通過氣動換向閥不斷地開、閉來完成的,而氣動換向閥的開閉是由控制中心來控制的。
真空加料機中裝有壓縮空氣反吹裝置,每次放料時,壓縮空氣脈沖反吹過濾器,把吸附于過濾器表面的粉末打落下來,以保證吸料能正常運行。
對料位控制的真空加料機,受料設備的料斗中物料通過料位計完成自動加料。當受料設備的料斗高于某一位置時,真空加料機停止動作進入待機狀態;當料位低于某一位置時,真空加料機自動啟動,完成對受料設備的加料。

產品特點
1、采用多級噴射真空泵產生真空,泵內無運動部件,無需額外維護
2、自動化控制系統,操作簡單,有效消除物料靜電
3、設備內外壁鏡面拋光,不粘接物料,無衛生死角
4、外形設計流暢,方便拆卸和清洗消毒
5、密閉無泄漏,交叉無污染,保護物料和環境
6、食品級過濾濾芯,自動反吹清潔功能
產品細節

設備參數

應用實例

工程案例1:
江蘇** 有限公司
金屬粉末上料 300目 比重7 上料高度6米 水平距離40米 產量 1.5t/h
如昂系列上料機 型號RA-DZKS-600
輕松解決上料難 難上料問題
RA-DZKS 系列上料機 主要針對 比重重 產量高 高度高 水平距離遠等物料解決上料問題
如 顆粒狀 大米 玉米 金屬粉末 鐵粉 銅粉 鎳粉 等等

工程案例2:
江蘇** 納米材料有限公司
物料原材料較細 納米2000目 要求無塵上料 比重0.5 產量5t/h 高度3米
如昂系列上料機 型號RAZ-2/ RAZ-6 型號上料機
整體能滿足上料要求 RAZ系列五種型號 納米級物料基本能滿足上料要求 產量參照型號
如 食品級抹茶粉 鋰電池行業 正負極材料 石墨烯材料 等等

